27周年記念モデル (伝統・ローカル系)
規格提案型住宅
■■■ フィレンツェ ■■■
その先の世界を目指す、濃密な空間
設計監理費用、地盤調査費用、許容応力度構造計算費用を含む工事費
| エクスクルーシブ仕様 |
7,550万円(税込) |
| VIP仕様 |
8,900万円(税込) |
|

|
|
|
|

|
|
|
|

|
|
|
|

|
|
|
|

|
|
|
|
■ 余裕の空間に包まれた至高の世界、歴史への回帰と未来への飛躍
法床面積 286.52u ( 86.67坪 )
施工床面積 348.05u ( 105.29坪 )
■ エクスクルーシブ仕様の一例
1 耐震等級 「3」 (地震保険料が約3割ダウン) で、許容応力度構造計算を行ないます
2 制震システム 「GVA」 (ジーバ) を標準施工、2×6工法
3 外断熱 (ネオマフォーム50ミリ)+内断熱 (発泡130ミリ) のハイブリッド断熱システム
4 現場発泡断熱材 「フォームライトSL」 ( 壁130ミリ、小屋220ミリ ) を標準施工
5 二重屋根遮熱通気工法+太陽光発電工事を標準施工
6 省令準耐火構造のため、火災保険料が普通の木造住宅の約半分です
7 構造材はダグラスファー (米松) 指定
8 天井高は1階、2階とも2.7メートル、3階は勾配天井
9 サッシはアーキテクトシリーズ (ペラ社)
10 キッチンはメリットキッチン (カナダ) または、デウィルスキッチン (米国) から選択
11 空気清浄機付全館空調設備を標準施工
12 全室照明器具、カーテン (シェード) を標準施工
■ 地盤保証、住宅性能評価による第三者保証付
■ 別途項目
1 屋外給排水工事費 ( 水道取出し工事費用等も含みます )
2 軟弱地盤における基礎補強工事費 ( 鋼管杭、地盤改良など )
3 エクステリア工事費 ( 門扉、塀、ガレージ、植栽など )
4 水道負担金等の各種納付金
5 免震システム
|
規格提案型住宅
■■■ コロラドファーム ■■■
カンツリーな暮らしとハイスペックな性能が融合
設計監理費用、地盤調査費用、許容応力度構造計算費用を含む
本体工事費 3,196万円(税込)
|

|
|
|
|

|
|
|
|

|
|
|
|
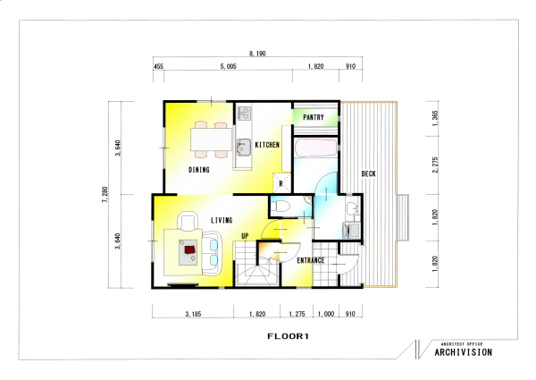
■ 家族構成4人を想定した、余裕に満ちた平面プランとアイランドキッチン、吹き抜け、
勾配天井、充分な収納スペースを特徴とするハイスペック2×6住宅です
法床面積 149.54u ( 45.24坪 )
施工床面積 206.26u ( 62.39坪 )
■ 耐震等級 「3」 (地震保険料が約3割ダウン) で、許容応力度構造計算を行ないます
■ 制震システム 「GVA」 (ジーバ) を標準施工
■ 現場発泡断熱材 「フォームライトSL」 ( 壁120ミリ、小屋180ミリ ) を標準施工
■ 省令準耐火構造のため、火災保険料が普通の木造住宅の約半分です
■ 構造材はダグラスファー指定です
■ 1階天井高は2.7メートル、2階は勾配天井
■ 温水循環方式床暖房設備を標準施工
■ 全室照明器具、エアコンを標準施工
■ 地盤保証、住宅性能評価による第三者保証付
■ 別途項目
1 屋外給排水工事費 ( 水道取出し工事費用等も含みます )
2 軟弱地盤における基礎補強工事費 ( 鋼管杭、地盤改良など )
3 カーテン、ブラインド等の工事費
4 エクステリア工事費 ( 門扉、塀、植栽など )
5 太陽光発電工事費 ( メーカーはシャープ、東芝、京セラ、三菱など自由に比較できます )
6 プラン、スペック等の変更による追加工事費
7 水道負担金等の各種納付金
8 建築確認申請費用及び竣工検査費用
■ 広告、宣伝、展示場、営業マンなどがないため、リーズナブルなコストを実現しました
|
規格提案型住宅
■■■ ニューオリンズ ■■■
耐震構造 (耐震等級「3」) + 制震システムが標準
設計監理費用を含む、本体工事費 1,633万円(税込)
|

|
|
|
|
アーキヴィジョンオフィス (2013年4月現在、築26年) 同様、大屋根吹き降ろし形状は、豪雪地帯に建つ民家のデザインにも共通するところが多く、我々日本人のエモーショナルな部分に訴えかける普遍性をもったデザインです。
年月の経過によっても飽きのこないデザインは、力強い構造材によって組み立てられます
★ 建築構造材に 「米松」(ダグラスファー)を指定 ★
米松(等級 NO.2)の、一般的なSPF材(等級 NO.2)に対する曲げ強度(Fc)は1.36倍、同様に圧縮強度は1.64倍、引張り強度は1.16倍、せん断力は1.33倍、となっています |
|
|
|

|
|
|
|

|
|
|
|
■ 南または東道路、家族構成4人を想定したコンパクトサイズです
法床面積 101.52u ( 30.71坪 )
施工床面積 103.07u ( 31.18坪 )
■ 就学前のお子様を想定して、2階のプランはフレキシブルにしています
■ 省令準耐火構造のため、火災保険料が普通の木造住宅の約半分
■ 耐震等級 「 3 」 で構造計算を行ないます。地震保険料は約3割ダウンします
■ 制震システム 「GVA」 (ジーバ) を搭載しています
■ 現場発泡断熱材 「フォームライトSL」 壁80ミリ、小屋220ミリ 標準施工
■ 屋根下地構造材のタルキは210 (38×235)、さらに2重屋根通気工法を採用
■ サッシは南面にアンダーソン(米国)、その他はアルミ遮断熱ペアガラスサッシ(国産)
■ 屋根、外壁下地の遮断熱防水通気シートは 「タイベックシルバー」 (デュポン)
■ 高耐久ベタ基礎
■ LDK、ホール、2階洋室は無垢フローリング (1階オーク材、2階パイン材)
■ キッチンやユニットバスなどの設備機器は、各ショールームにて選択できます
■ 太陽光発電、空気清浄器付全館空調設備は、オプション対応になります
■ 広告、宣伝、展示場、営業マンなどがないため、リーズナブルなコストを実現
■ コストのほぼ全てを、設計費、構造計算費、工事監理費、工事費、材料費に投入
■ 地盤保証、住宅性能評価による第三者保証付
■ 長期優良住宅対応仕様です ( 申請費用等は別途必要になります )
■ 建設地によっては、設定条件が変更になる場合があります
■ 名称の由来は、ジャズの発祥地であるアメリカの 「ニューオリンズ」。
音楽の歴史の中で、ジャズの果たした影響は計り知れません。現在まで末永く、多くの聴衆に魅力を与える
ジャズの姿に重ね合わせ、命名いたしました。
この 「ニューオリンズ」 も長い風雪を耐え抜きご家族を守る器として、さらには遊び倒せる空間としてご提供
させていただくことになりました。
■ 27周年記念特別モデルです
|
規格提案型住宅
■■■ カンツリー・サイド ■■■
カンツリーデザインと制震システムを融合
設計監理費用を含む、本体工事費 1,495万円(税込)
|

|
|
|
|

|
|
|
|

|
|
|
|
■ 空間密度を凝縮した、機能優先のコンパクトサイズ
法床面積 95.54u ( 28.90坪 )
施工床面積 112.52u ( 34.04坪 )
■ 現場発泡断熱材 「 フォームライトSL 」 ( 壁80ミリ、小屋180ミリ 標準施工 )
■ 耐震等級 「 3 」 での許容応力度構造計算書付
■ 省令準耐火構造のため、火災保険料が普通の木造住宅の約半分
■ 耐震等級 「 3 」は、地震保険料が約3割ダウン
■ 2階のマルチスペースに、納戸、トイレ、書斎などが設置可能
■ 道路から見えにくい4帖の広さのバルコニー
■ 1階書斎は、造作デスク、本棚付
■ 全室照明器具設置
■ キッチンやユニットバスなどの設備機器は、各ショールームにて選択できます
■ 広告、宣伝、展示場、営業マンなどがないため、リーズナブルなコストを実現
■ コストのほぼ全てを、設計費、構造計算費、工事監理費、工事費、材料費に投入
■ 1級建築士事務所 安藤建築設計事務所による、第3者工事監理
工事監理報告書は 「基礎工事完了時」 「上棟時」 「造作工事完了時」 「竣工時」 の4回に別けて、詳細の
写真と共にお渡しいたします
写真を含めたこれらの資料は、将来のリノベーションのときに役立ちます
工事監理の独立性で、設計施工分離スタイルのメリットが最大限生かせます
■ 地盤保証、住宅性能評価による第三者保証付
|
規格提案型住宅
■■■ イースト・コロニー ■■■
輸入住宅 のエッセンスが隅々まで香ります
度重なる地震に対する不安を解消
制震システム(GVA) ジーバを標準搭載
設計監理費用を含む、本体工事費 1,588万円(税込)
|
★ 耐震等級は最高ランクの 「 3 」
許容応力度構造計算書付で、地震保険料は約3割ダウン
★ 2×4省令準耐火構造
のため、火災保険は普通の木造住宅の約半分
★ 現場発泡断熱材
フォームライトSL 壁80ミリ、小屋180ミリ 標準施工
★ デッキ・オン・アプローチ
は本体工事費に含まれます
(デッキの床材は耐久性重視の樹脂性と、自然素材重視のレッドシダーの2種ございます。
どちらの選択も可能で、コストは変わりません)
★ コラボレーション
2×4工法の住宅実績を多数保有する、設計、監理、施工の3社による共同提案を行なっております
|
|

|
|
|
|

|
|
|
|
|
|
■ 尺モジュールの採用で材料のロスを軽減、4人家族を想定した合理的な床面積です
法床面積 108.89u ( 32.94坪 )
施工床面積 135.80u ( 41.08坪 )
■ 最新の設備機器は、各ショールームにてご確認ください
■ 全館空調設備、温水循環方式床暖房設備は、オプション対応になります
■ 全室アルミ遮断熱ペアガラスサッシを採用
ぺラ、アンダーソン、マーヴィンなど輸入サッシは、オプション対応になります
■ デウィルス輸入キッチンは、オプション対応になります
■ 許容応力度構造計算費用は、本体工事費に含まれています
■ 高耐久ベタ基礎が標準仕様です
■ 長期優良住宅対応仕様です ( 申請費用等は別途必要になります )
■ 工事監理報告書は 「基礎工事完了時」 「上棟時」 「造作工事完了時」 「竣工時」 の4回に別けて、詳細の
写真と共にお渡しいたします
写真を含めたこれらの資料は、将来のリノベーションのときに役立ちます
工事監理の独立性で、設計施工分離スタイルのメリットが最大限生かせます
■ 住宅ローンのご相談も承ります
■ 規格住宅なのに、完成したら他にない カッコ良さ、ナイスフィーリング
■ 建設地によっては、設定条件が変更になる場合がございます
■ アーキヴィジョン創業27周年記念モデル
|